Novi artikli
ROČNI 6 POTNI VENTIL DF 3/4 - 100lit
Šifra:
11333
OEM:
9990000018277
Stopnja davka
22 %
Cena brez DDV:
50,82 EUR
Cena z DDV:
62,00 EUR
Ref:
4
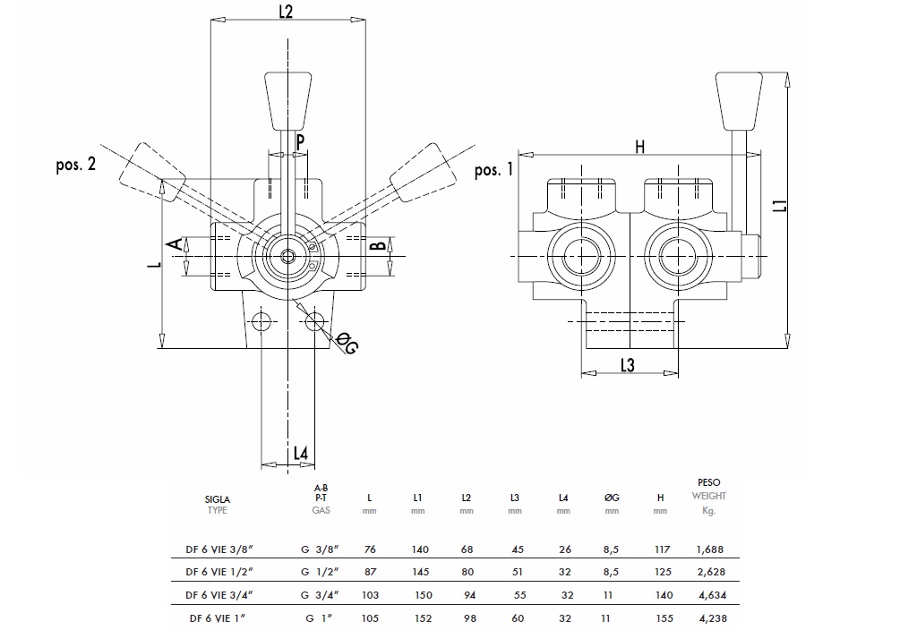
Uporaba:
Ventil se uporablja kot dvojni tropotni ventil. Pretok olja ki preide v ventil skozi dva dvojna vhoda, se preusmeri na dva dvojna izhoda. Ena krmilna ročica krmili oba sklopa hkrati.
Material:
Ohišje: litželezno, notranjst trdokovinska
Tesnilo: Buna N standard
Priklop:
Priključite »P« ter »P'« na obe tlačni strani. Povežite »A« ter »B« na prvi aktuator/cilinder in »A'« ter »B'« na drugi aktuator/cilinder. Ko je ročica v položaju 1, je »P« povezan z »A« in »P'« z »A'«. Ko je ročica v položaju 2, je »P« povezan z »B« ter »P'« z »B'«. Ko je ročica v sredinski poziciji, so vsi porti povezani med seboj (opened center).
Dobavitelj:
Italija
Maksimalni tlak:
250 bar
Vračilo ali menjava:
14 dni
Teža izdelka:
4,634 kg
Garancija:
6 mesecev
Max. pretok:
100 l/min






