Nauji produktai
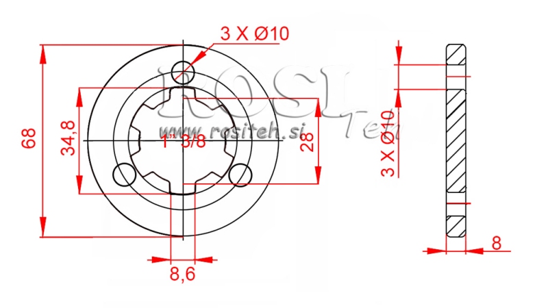
KARDANO ADAPTERIS SU FLANŠU 3 SKYLĖS IR KAIŠČIU 1-3/8 (80 mm)
Produkto kodas:
100109
OEM:
9990000021673
Mokesčių tarifas
22 %
Kaina be PVM:
49,18 EUR
Kaina su PVM:
60,00 EUR
Ref:
1
| PREKĖ | IŠORINIS PROFILIS | FLANŠO Ø (mm) | BENDRAS ILGIS (mm) |
| 100109 | 1" 3/8 | 68 | 80 |
APRAŠYMAS
PTO ADAPTERIAI SU FLANŠU SIURBLIAMS yra skirti patikimam hidraulinių ir kitų siurblių pavaros perdavimui per traktoriaus PTO veleną. Jie užtikrina tiesioginį sujungimą tarp veleno ir flanšu montuojamų siurblių, o šlicinis profilis (šlicų skaičius) garantuoja tikslų prigludimą ir efektyvų sukimo momento perdavimą. Integruota fiksavimo sistema (kaištis arba varžtas) leidžia saugiai pritvirtinti ir apsaugo nuo atsitiktinio atsijungimo darbo metu. Tvirta konstrukcija užtikrina ilgą tarnavimo laiką ir patikimą veikimą net esant didelėms apkrovoms, todėl jie idealiai tinka žemės ūkio ir pramonės reikmėms.






