Novi artikli
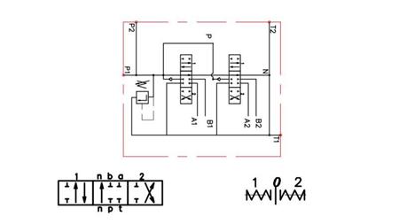
ROČNI HIDRAVLIČNI VENTIL SEKCIJSKI 2xPC100
Šifra:
12184
OEM:
9990000066735
Stopnja davka
22 %
Cena brez DDV:
188,52 EUR
Cena z DDV:
230,00 EUR
Ref:
2

Informativen izračun ob nakupu na obroke
polog0,00 EUR
3 × 76,67 EUR
polog0,00 EUR
6 × 42,37 EUR
polog0,00 EUR
12 × 21,61 EUR
polog0,00 EUR
24 × 11,23 EUR






