Νέα προϊόντα
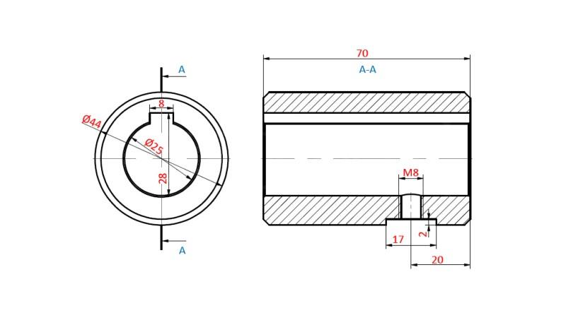
ΜΕΙΩΤΗΣ ΓΙΑ ΥΔΡΑΥΛΙΚΟ ΚΙΝΗΤΗΡΑ MP-MR 25X70X10
Κωδικός προϊόντος:
12937
OEM:
9990000082254
Συντελεστής φόρου
22 %
Τιμή χωρίς ΦΠΑ:
12,30 EUR
Τιμή με ΦΠΑ:
15,00 EUR
Ref:
57
Περιγραφή:
Η μανσέτα ταιριάζει σε άξονα 25mm για ηλεκτρικούς κινητήρες MR + MP.
Προμηθευτής:
Πολωνία
Επιστροφή ή ανταλλαγή:
14 ημέρες
βάρος προϊόντος:
0.54 κιλά
Εγγύηση:
6 μήνες
Υλικό:
μεταβλητό χάλυβα






