Νέα προϊόντα
ΚΙΒΩΤΙΟ ΤΑΧΥΤΗΤΩΝ GR.2 -1:3.8 ΑΝΔΡΙΚΟ
Κωδικός προϊόντος:
10262
OEM:
9990000001972
Συντελεστής φόρου
22 %
Τιμή χωρίς ΦΠΑ:
81,15 EUR
Τιμή με ΦΠΑ:
99,00 EUR
Ref:
816
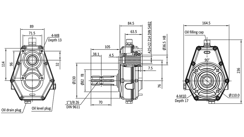
Χρήση
Το κιβώτιο ταχυτήτων χρησιμοποιείται για την αύξηση των στροφών της αντλίας γραναζιών και κατά συνέπεια την αύξηση της ροής της αντλίας αυτής.
Χρησιμοποιούνται κυρίως για διαχωριστές ξύλου, φορτωτές τρακτέρ και άλλες προσθήκες τρακτέρ.
Βασικά, υπάρχει μια ανδρική έκδοση με σύνδεση μέσω κάρνταν και μια γυναικεία έκδοση με καρφί για άμεση εγκατάσταση στο κάρνταν του τρακτέρ.

Προμηθευτής:
Ιταλία
Επιστροφή ή ανταλλαγή:
14 ημέρες
Σύνδεση:
αρσενικό - 1" 3/8
Στροφές:
max. 3000 rpm
ροπή εισόδου:
15.9 daNm
ροπή εξόδου:
4.2 daNm
βάρος προϊόντος:
5.5 kg
Είσοδος στροφών:
540 rpm
Έξοδος RPM:
2052 στροφές/λεπτό
Αναλογία μετάδοσης:
1:3.8
Εγγύηση:
6 μήνες
Για φορτία:
10 kW










