Νέα προϊόντα
ΠΟΛΛΑΠΛΑΣΙΑΣΤΗΣ GR.3 - 1:3 - ΑΡΣΕΝΙΚΟΣ ΣΥΝΔΕΣΜΟΣ (ΕΙΣΟΔΟΣ) / ΑΡΣΕΝΙΚΟΣ ΣΥΝΔΕΣΜΟΣ (ΕΞΟΔΟΣ)
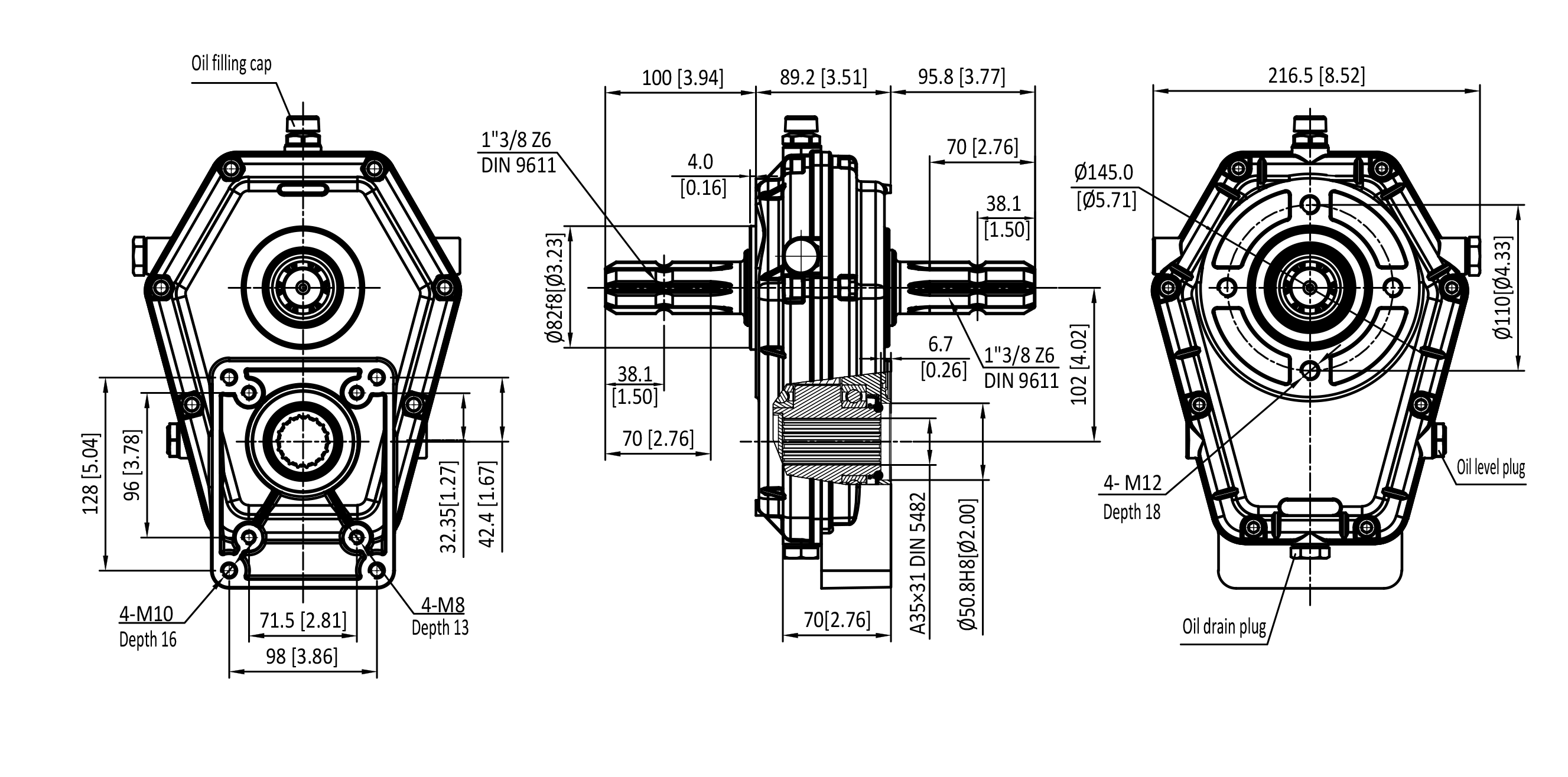
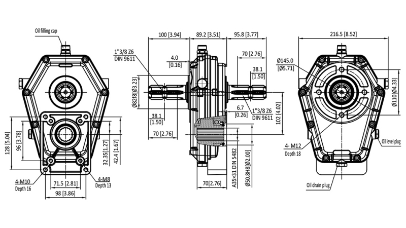
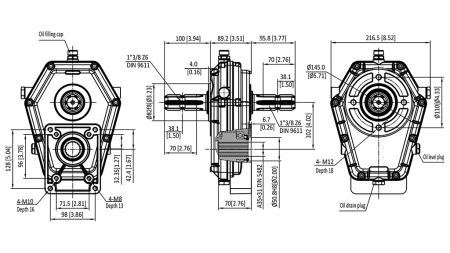
| Τεχνικές πληροφορίες | |
| Προμηθευτής: | Κίνα |
| Επιστροφή ή ανταλλαγή: | 14 ημέρες |
| Εγγύηση: | 6 μήνες |
| Λόγος μετάδοσης: | 1:3 |
| Για υδραυλικές αντλίες: | GR. 3 |
| Σύνδεση: | Άξονας PTO και στις δύο πλευρές - 1" 3/8 – 6 σχισμές (αρσενικό) |
| Ταχύτητα εισόδου: | 540 rpm |
| Ροπή εισόδου: | 49 daNm |
| Ταχύτητα εξόδου: | 1620 rpm (μέγ. 3000 rpm) |
| Ροπή εξόδου: | 16 daNm |
| Φορτίο: | έως 20 kW |
| Βάρος προϊόντος: | 8,3 kg |
| Λιπαντικό γραναζιών: | Λάδι SAE 90 |
ΔΙΑΣΤΑΣΕΙΣ

ΟΔΗΓΙΕΣ ΧΡΗΣΗΣ
1. Προοριζόμενη χρήση
Το κιβώτιο ταχυτήτων είναι μηχανική μετάδοση που αυξάνει την ταχύτητα περιστροφής του άξονα εξόδου και επιτρέπει τη λειτουργία υδραυλικής αντλίας γραναζιών μέσω του άξονα PTO του τρακτέρ.
Χρησιμοποιείται για την κίνηση:
- υδραυλικών μονάδων ισχύος,
- δασικών ταινιοτόμων,
- τεμαχιστών ξύλου,
- άλλου υδραυλικού εξοπλισμού.
2. Θέση εγκατάστασης
Το κιβώτιο πρέπει να εγκατασταθεί στην σωστή θέση λειτουργίας για να διασφαλιστεί η σωστή λίπανση των γραναζιών. Συνιστάται οριζόντια εγκατάσταση, ώστε η αντλία και το κιβώτιο να ευθυγραμμίζονται οριζόντια.
Σημαντικό:
- το κιβώτιο πρέπει πάντα να εγκαθίσταται έτσι ώστε το λάδι μέσα στο κέλυφος να έρχεται σε επαφή με τη μετάδοση γραναζιών,
- δεν επιτρέπεται η μακροχρόνια λειτουργία σε ανεστραμμένη θέση,
- το κιβώτιο πρέπει να υποστηρίζεται μηχανικά (δεν πρέπει να κρέμεται μόνο από τον άξονα PTO).
3. Κατεύθυνση περιστροφής
Πριν από την εγκατάσταση, ελέγξτε την κατεύθυνση περιστροφής του άξονα PTO και την απαιτούμενη κατεύθυνση περιστροφής της υδραυλικής αντλίας.
Η λανθασμένη κατεύθυνση περιστροφής μπορεί να προκαλέσει βλάβη αντλίας, αστοχία στεγανοποίησης και κακή ροή λαδιού.
4. Λίπανση με λάδι
Το κιβώτιο πρέπει να λιπαίνεται συνεχώς με λάδι μέσα στο κέλυφος για να διασφαλιστεί η σωστή λειτουργία των γραναζιών. Το συνιστώμενο λιπαντικό είναι λάδι γραναζιών SAE 90.
Το κιβώτιο πρέπει να γεμίζει με λάδι μέχρι το επίπεδο ελέγχου.
Πριν από την πρώτη χρήση, αφαιρέστε το πώμα πλήρωσης, γεμίστε τη μονάδα με λάδι μέχρι τη σήμανση επιπέδου και κλείστε το πώμα.
Πριν από κάθε χρήση, ελέγξτε το επίπεδο λαδιού. Η πρώτη αλλαγή λαδιού συνιστάται μετά από 50 ώρες λειτουργίας και στη συνέχεια κάθε 1500 ώρες λειτουργίας ή μία φορά το χρόνο.
5. Θερμοκρασία λειτουργίας
Η κανονική θερμοκρασία λειτουργίας του κελύφους του κιβωτίου είναι μεταξύ 50 και 80°C. Εάν υπερβεί τους 90°C, ελέγξτε το επίπεδο λαδιού, το φορτίο και την ευθυγράμμιση.
6. Συντήρηση και πιθανά προβλήματα
| Πρόβλημα | Πιθανή αιτία | Λύση |
| Υπερθέρμανση | Ανεπαρκές επίπεδο λαδιού | Ελέγξτε το επίπεδο λαδιού |
| Θόρυβος | Φθαρμένα ρουλεμάν | Συντήρηση |
| Δονήσεις | Λανθασμένη ευθυγράμμιση | Ελέγξτε την εγκατάσταση |
| Διαρροή λαδιού | Κατεστραμμένη στεγανοποίηση | Αντικατάσταση στεγανοποίησης |









