Νέα προϊόντα
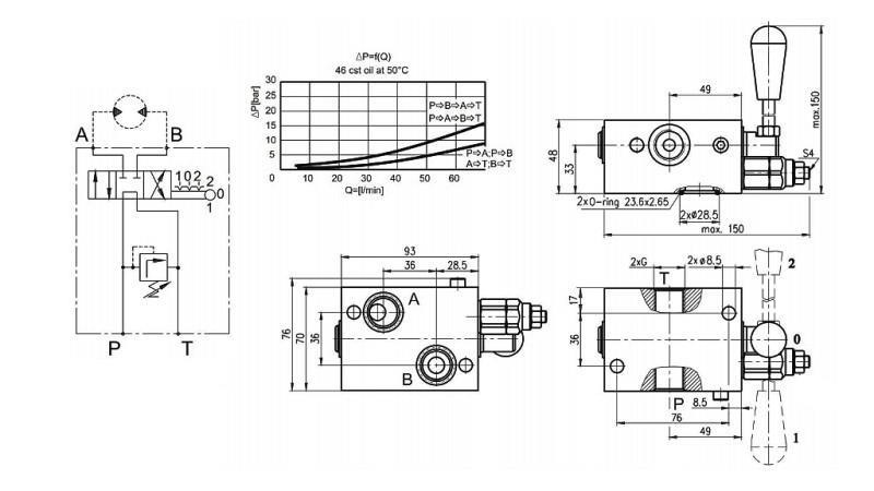
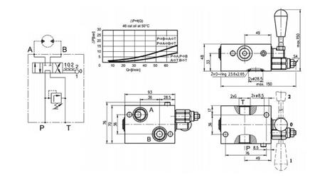
ΜΗΧΑΝΙΚΗ ΒΑΛΒΙΔΑ ΓΙΑ ΥΔΡΑΥΛΙΚΟ ΚΙΝΗΤΗΡΑ MP-MR-MH ΚΛΕΙΣΤΟΥ ΚΕΝΤΡΟΥ - 50LIT
Περιγραφή:
Η μηχανική βαλβίδα τοποθετείται απευθείας στον υδραυλικό κινητήρα και χρησιμεύει για τον έλεγχο του απευθείας στον υδραυλικό κινητήρα.
Η λεβιέ βαλβίδας επιτρέπει την ενεργοποίηση και απενεργοποίηση καθώς και την αλλαγή κατεύθυνσης περιστροφής του υδραυλικού κινητήρα.
Βαλβίδα 'ΑΝΟΙΚΤΟΥ ΚΕΝΤΡΟΥ'- Στη νευρική θέση, ο υδραυλικός κινητήρας δεν περιστρέφεται. Διαφορετικά, δεν είναι υδραυλικά ενεργοποιημένος, αλλά ο άξονας του υδραυλικού κινητήρα μπορεί να περιστραφεί με την δική του αδράνεια ή την αδράνεια του φορτίου.
Χρησιμοποιείται πιο συχνά σε εφαρμογές όπου θέλουμε η κίνηση να σταματήσει με την αδράνεια του φορτίου ή να έχουμε τη δυνατότητα αυτο-περιστροφής της κίνησης - υδραυλικού κινητήρα.
Βαλβίδα 'ΚΛΕΙΣΤΟΥ ΚΕΝΤΡΟΥ'- Στη νευρική θέση, ο υδραυλικός κινητήρας περιστρέφεται, πράγμα που σημαίνει ότι η αδράνεια του φορτίου δεν μπορεί να τον περιστρέψει.
Χρησιμοποιείται πιο συχνά σε εφαρμογές όπου θέλουμε η κίνηση να σταματήσει αμέσως και να παραμείνει σταθερή μετά την απενεργοποίηση της κίνησης - υδραυλικού κινητήρα.







