Νέα προϊόντα
ΥΔΡΑΥΛΙΚΗ ΒΑΛΒΙΔΑ P81 AUTOMATIC ΓΙΑ ΔΙΑΙΡΕΤΗ ΚΟΡΜΩΝ
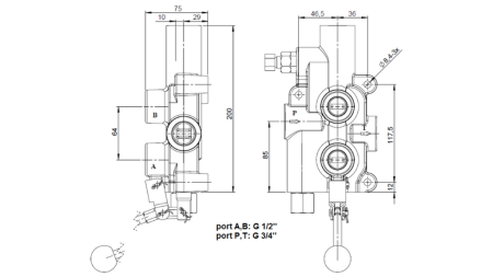
| Τεχνικές πληροφορίες | |
| Προμηθευτής: | Βουλγαρία |
| Επιστροφή ή ανταλλαγή: | 14 ημέρες |
| Εγγύηση: | 6 μήνες |
| Ονομαστική παροχή λαδιού: | 80 λτ/λεπτό |
| Κίνηση άξονα: | ± 7,9 mm |
| Εύρος θερμοκρασίας λειτουργίας: | από −40 °C έως +60 °C |
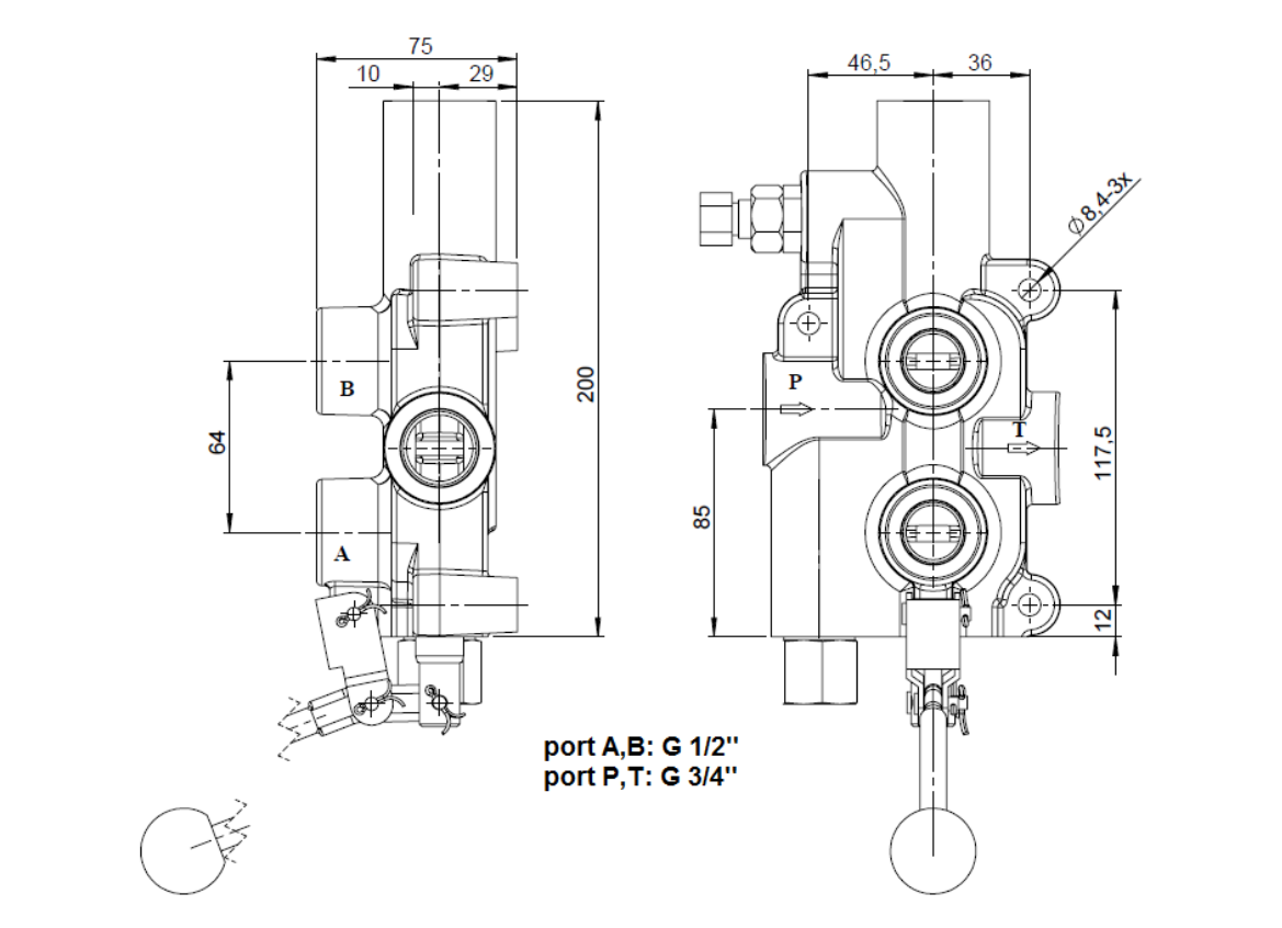
| Σπείρωμα σύνδεσης: | Θύρα P και T – 3/4", Θύρα A και B – 1/2" |
| Μέγ. πίεση: | Θύρα P – 250 bar, Θύρα T - 50 bar, Θύρα A και B – 300 bar |
| Βαλβίδα ασφαλείας ανακούφισης: | ρυθμισμένη εργοστασιακά στα 150 bar |
Περιγραφή
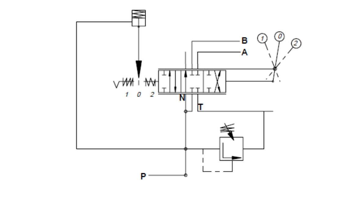
Η υδραυλική βαλβίδα P81 έχει σχεδιαστεί για χρήση σε διαχωριστές ξύλων. Διαθέτει λειτουργία με ελατήριο επιστροφής σε μία κατεύθυνση και σύστημα απελευθέρωσης πίεσης στην αντίθετη κατεύθυνση, επιστρέφοντας αυτόματα τον μοχλό στη μεσαία θέση. Η βαλβίδα P81 περιλαμβάνει επίσης μια χειροκίνητα ρυθμιζόμενη βαλβίδα ασφαλείας ανακούφισης.
Καρφί απελευθέρωσης πίεσης
Το σύστημα απελευθέρωσης πίεσης επιτρέπει τον απεγκλωβισμό του μοχλού και την επιστροφή του στην ουδέτερη θέση. Όταν ο κύλινδρος μετακινείται χειροκίνητα στη θέση απελευθέρωσης πίεσης, το λάδι κατευθύνεται στην ενότητα «B». Όταν η πίεση στην ενότητα «B» υπερβεί την προκαθορισμένη τιμή, το καρφί απελευθέρωσης πίεσης απελευθερώνει τον μοχλό ελέγχου και τον επιστρέφει στην ουδέτερη θέση. Η εργοστασιακή ρύθμιση για τη λειτουργία απελευθέρωσης είναι 70 bar.
ΠΡΟΣΟΧΗ: Αν το καρφί απελευθέρωσης πίεσης ρυθμιστεί σε πολύ υψηλή πίεση, ο μοχλός δεν θα επιστρέψει στην ουδέτερη θέση. Αν η πίεση ρυθμιστεί πολύ χαμηλά, το καρφί απελευθέρωσης πίεσης δεν θα συγκρατήσει τον μοχλό στη θέση έτοιμη για απελευθέρωση.
Ρυθμιζόμενη βαλβίδα ανακούφισης πίεσης – η τυπική εργοστασιακή ρύθμιση της βαλβίδας ανακούφισης πίεσης είναι 150 bar.
Ο μοχλός της βαλβίδας μπορεί να προσανατολιστεί είτε «επάνω» είτε «κάτω» ανάλογα με τη θέση τοποθέτησης της μηχανής. Αυτό γίνεται εύκολα με περιστροφή του μοχλού κατά 180°. Όλα τα καρφιά ασφαλίζονται σταθερά με πριτσίνια DIN 94.












