Νέα προϊόντα
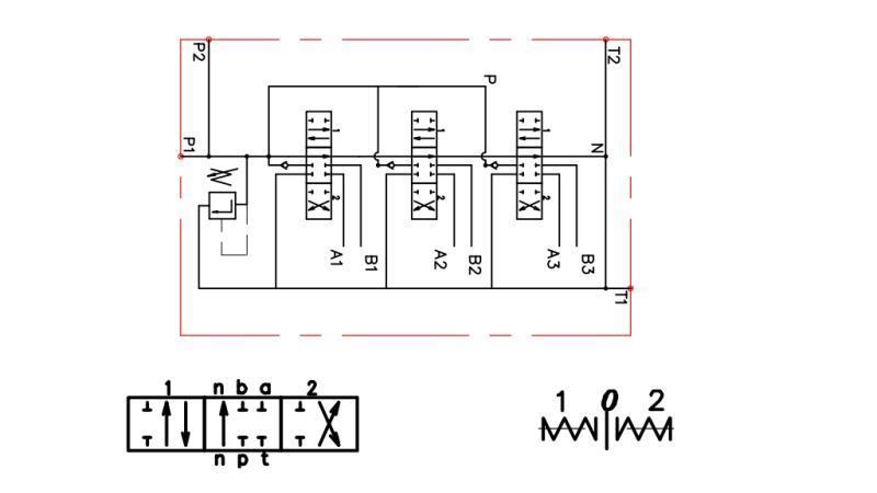
ΧΕΙΡΟΚΙΝΗΤΟ ΥΔΡΑΥΛΙΚΗ ΒΑΛΒΙΔΑ ΤΜΗΜΑΤΙΚΟ 3xPC70
Κωδικός προϊόντος:
12158
OEM:
9990000065523
Συντελεστής φόρου
22 %
Τιμή χωρίς ΦΠΑ:
221,31 EUR
Τιμή με ΦΠΑ:
270,00 EUR
Ref:
0
Προμηθευτής:
Βουλγαρία
μέγιστη πίεση σύνδεσης "T":
50 bar
Επιστροφή ή ανταλλαγή:
14 ημέρες
βάρος προϊόντος:
13.45 kg
ονομαστική ροή:
70 λίτρα/λεπτό
Εγγύηση:
6 μήνες
θερμοκρασία λειτουργίας:
-40 έως + 60°C
μέγιστη πίεση σύνδεσης "P":
250 bar
λειτουργική θερμοκρασία λαδιού:
-15 έως +80°C
εργοστασιακά ρυθμισμένη βαλβίδα ασφαλείας:
180 bar
εύρος ρύθμισης ασφαλιστικής βαλβίδας:
50-250 bar
μέγιστη πίεση σύνδεσης "A" και "B":
300 bar







