Νέα προϊόντα
ΥΔΡΑΥΛΙΚΗ ΒΑΛΒΙΔΑ 3XP120
Γενική περιγραφή:
Η χειροκίνητη ή μηχανική υδραυλική βαλβίδα Р120 έχει σχεδιαστεί για τη διανομή και τον έλεγχο της ροής εργασίας μεταξύ της υδραυλικής αντλίας και των καταναλωτών (κυλίνδρων, υδραυλικών κινητήρων…).
Οι υδραυλικές βαλβίδες χρησιμοποιούνται για διάφορους σκοπούς στη γεωργία, τη βιομηχανία, την κατασκευή κ.λπ. για τον έλεγχο:
- μονοενεργούς κυλίνδρους
- διπλοενεργούς κυλίνδρους
- υδραυλικούς κινητήρες
- πλωτές λειτουργίες (για αλέα)
- joysticks (πάνω-κάτω, αριστερά-δεξιά)
Συναρμολογούνται σε μπλοκ από 1 έως 4 μοχλούς.
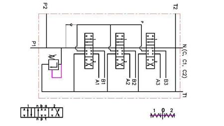
Λειτουργία:
Όλες οι υδραυλικές βαλβίδες είναι εξοπλισμένες με βαλβίδα ασφαλείας. Στη νεκρή θέση (μοχλός στη μέση), το λάδι κυκλοφορεί μέσω της βαλβίδας. Όταν ο μοχλός μετατοπιστεί προς τη μία ή την άλλη πλευρά, η υδραυλική βαλβίδα προκαλεί την κίνηση του κυλίνδρου ή την περιστροφή του υδραυλικού κινητήρα προς μία ή την άλλη κατεύθυνση. Μετά την απελευθέρωση του μοχλού, επιστρέφει αυτόματα στη νεκρή θέση, ο υδραυλικός κινητήρας ή ο κύλινδρος σταματά στη τρέχουσα θέση και το λάδι κυκλοφορεί ξανά μέσω της βαλβίδας. Είναι δυνατή η χρήση ενός λεγόμενου στοιχείου 'κλειστού κέντρου', το οποίο αλλάζει τη βαλβίδα έτσι ώστε στη νεκρή θέση, το λάδι να μην κυκλοφορεί μέσω της βαλβίδας ή μια τέτοια βαλβίδα να μην ρέει πλέον. Όταν χρησιμοποιούνται ή συνδέονται άλλες βαλβίδες, είναι απαραίτητο να χρησιμοποιηθεί το στοιχείο 'carry over', το οποίο επιτρέπει την παροχή λαδιού για άλλες βαλβίδες.
Για βαλβίδες με σπείρες για πλωτή λειτουργία, επιτρέπει στον κύλινδρο ελεύθερη ροή λαδιού, που σημαίνει ότι ο κύλινδρος κινείται ελεύθερα (ή η αλέα προσαρμόζεται στο έδαφος).
Οι βαλβίδες με σπείρες για μονοενεργούς κυλίνδρους προορίζονται για μονοενεργούς κυλίνδρους.
Κατασκευή:
Η Р120 είναι μια μονομπλόκ βαλβίδα διανομής. Είναι κατασκευασμένη από χυτοσίδηρο EN-GJL300. Οι σπείρες είναι κατασκευασμένες από ανθρακούχο χάλυβα και είναι σκληρά χρωμιοποιημένες.
Συνδέσεις:
Συνδέσεις: Η σπείρα είναι βιδωμένη με τέσσερις βίδες M10







