Νέα προϊόντα
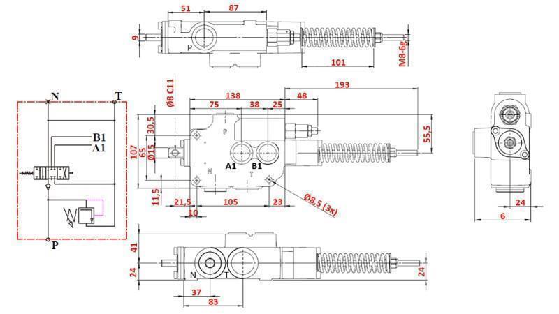
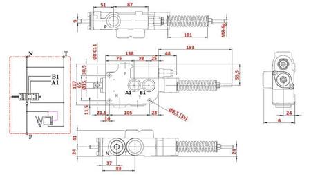
ΥΔΡΑΥΛΙΚΗ ΒΑΛΒΙΔΑ 1XZ80 A7 ZS1/G ΚΑΛΛΙΕΡΓΗΤΗΣ
Κωδικός προϊόντος:
13812
OEM:
9990000149568
Συντελεστής φόρου
22 %
Τιμή χωρίς ΦΠΑ:
102,46 EUR
Τιμή με ΦΠΑ:
125,00 EUR
Ref:
8
Περιγραφή:
Αυτή η ειδική υδραυλική βαλβίδα προορίζεται κυρίως για το topping. Η βαλβίδα ελέγχει τη ροή του λαδιού κατά τη διάρκεια της επεξεργασίας του εδάφους. Μπορείτε να παρακολουθήσετε περισσότερα στο βίντεο παρακάτω.
Προμηθευτής:
Βουλγαρία
μέγιστη πίεση σύνδεσης "T":
50 bar
Επιστροφή ή ανταλλαγή:
14 ημέρες
βάρος προϊόντος:
3.80 kg
ονομαστική ροή:
80 λ/min
Εγγύηση:
6 μήνες
Σπείρωμα:
P, A, B = 1/2"; T, N = 3/4"
μέγιστη πίεση σύνδεσης "P":
250 bar
μέγιστη πίεση σύνδεσης "A" και "B":
300 bar








