Νέα προϊόντα
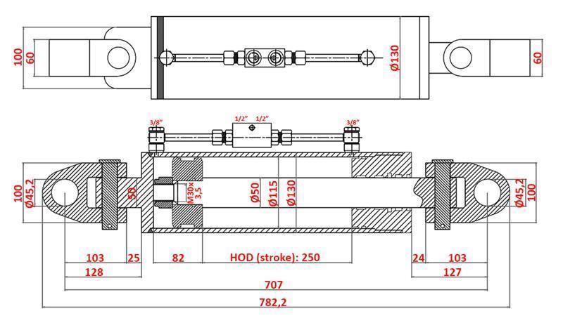
ΥΔΡΑΥΛΙΚΟ ΤΡΙΤΟ ΣΗΜΕΙΟ SPECIAL - CAT. 4 - 115/50-250 (180-380 HP) (45,2 mm)
| Τεχνικά στοιχεία | |
| Προμηθευτής: | Ιταλία |
| Εγγύηση: | 2 έτη |
| Επιστροφή ή ανταλλαγή: | 14 ημέρες |
| Βάρος προϊόντος: | 38 kg |
| Διαστάσεις κυλίνδρου: | 115/50 mm |
| Μήκος (ελάχ. → μέγ.): | 707 → 957 mm |
| Διαδρομή: | 250 mm |
| Μέγιστη πίεση: | 250 bar |
| Βαλβίδα μπλοκαρίσματος: | Ναι |
| Μέγιστη ταχύτητα: | 0,5 m/s |
| Δύναμη έκτασης κυλίνδρου (στους 180 bar): | 18,69 ton |
| Δύναμη επαναφοράς κυλίνδρου (στους 180 bar): | 15,15 ton |
| Προστασία: | Ψευδάργυρος |
| Σύνδεση: | 3/8'' |
| Για τρακτέρ: | 180 - 380 HP |
| Διάμετρος οπής: | 45,2 mm |

| CAT. 4 (45,2/32,4 mm) | |||||||||
| A | B | C | M | L | E | F | D | G | |
| 115/50-250 | 115 | 130 | 50 | 100 | 45,2 | 707 → 957 | 128 | 250 | 3/8'' |
| 115/50-250 | 115 | 130 | 50 | 100 | 32,4 | 750 → 1000 | 128 | 250 | 3/8'' |
Υδραυλικό Τρίτο Σημείο
είναι ουσιαστικά ένας τυπικός διπλής ενέργειας υδραυλικός κύλινδρος με συγκολλημένα άκρα για εγκατάσταση μεταξύ του τρακτέρ και του παρελκομένου. Είναι σίγουρα μια αναβάθμιση για το τρακτέρ, αν δεν υπάρχει ήδη. Τα υδραυλικά τρίτα σημεία μας είναι γαλβανισμένα για την καλύτερη δυνατή προστασία από τη διάβρωση. Όλα τα υδραυλικά τρίτα σημεία είναι επίσης εξοπλισμένα με βαλβίδα μπλοκαρίσματος. Σε περίπτωση ζημιάς του υδραυλικού σωλήνα, ο κύλινδρος του τρίτου σημείου παραμένει στην ίδια θέση καθώς και το παρελκόμενο. Η βαλβίδα μπλοκαρίσματος διασφαλίζει επίσης ότι οι σωλήνες δεν βρίσκονται υπό πίεση παρά τους κραδασμούς κατά την οδήγηση, γεγονός που αποτρέπει περιττό φορτίο στη βαλβίδα του υδραυλικού συστήματος του τρακτέρ.
Πιο συνηθισμένοι τύποι Υδραυλικών Τρίτων Σημείων:
- Υδραυλικό Τρίτο Σημείο STANDARD
(με συγκολλημένα μάτια και στις δύο πλευρές)

- Υδραυλικό Τρίτο Σημείο AUTOMATIC
(στην μπίλια υπάρχει γάντζος ταχείας απελευθέρωσης για τη σύνδεση του παρελκομένου του τρακτέρ)

- Υδραυλικό Τρίτο Σημείο SPECIAL
(υδραυλικό τρίτο σημείο με γάντζο, αλλά αντί για μάτι χρησιμοποιείται ειδικός συγκολλημένος γάντζος που επιτρέπει μεγαλύτερη πλευρική κίνηση του τρίτου σημείου)

- Υδραυλικό Σπειρωματώδες Τρίτο Σημείο με Γάντζο
(το μήκος του τρίτου σημείου μπορεί να επεκταθεί κατά μήκος του σπειρώματος)

Χρήση Υδραυλικών Τρίτων Σημείων:
Τα υδραυλικά τρίτα σημεία είναι όλο και πιο απαραίτητα σε κάθε τρακτέρ, ειδικά με άροτρα για το έδαφος, όπου η ακριβής ρύθμιση του αρότρου είναι κρίσιμη. Είναι επίσης πολύ χρήσιμα με ισοπεδωτές εδάφους, ανυψωτικά τρακτέρ (για ρύθμιση κλίσης) και ακόμη και ανατρεπόμενες πλατφόρμες.

Πώς να επιλέξετε το σωστό Υδραυλικό Τρίτο Σημείο για το τρακτέρ σας;
Βήμα 1: Πόσα ίππους έχει το τρακτέρ σας;
Κατηγορία 1: για τρακτέρ από 20 έως 55 HP (15–40 kW)
Κατηγορία 2: για τρακτέρ από 45 έως 95 HP (35–70 kW)
Κατηγορία 3: για τρακτέρ από 80 έως 210 HP (60–155 kW)
Κατηγορία 4: για τρακτέρ από 180 έως 380 HP (135–285 kW)
Αξίζει επίσης να εξετάσετε με ποιο παρελκόμενο θα χρησιμοποιηθεί το τρίτο σημείο, αφού για παράδειγμα σε τρακτέρ 100 HP δεν είναι απαραίτητο ένα τρίτο σημείο κατηγορίας 3 εάν θα χρησιμοποιείται μόνο με ανατρεπόμενη πλατφόρμα μέγιστης χωρητικότητας 1500 kg.
Βήμα 2: Ποιο μέγεθος οπών πρέπει να έχει το τρίτο σημείο;
Κατηγορία 1: Οπές 19,2 mm ή 25,4 mm
Κατηγορία 2: Οπές 25,4 mm
Κατηγορία 3: Οπές 25,4 mm ή 32,4 mm
Κατηγορία 4: Οπές 45,2 mm ή 32,4 mm
Είναι δυνατόν να χρησιμοποιηθεί μειωτήρας, που επιτρέπει τη χρήση ενός τρίτου σημείου σε διάφορα τρακτέρ ή παρελκόμενα. Για τα υδραυλικά τρίτα σημεία με γάντζο (automatic) ή ειδικές εκδόσεις, οι οπές καθορίζονται από τη μπίλια που ασφαλίζεται στον γάντζο ταχείας απελευθέρωσης του τρίτου σημείου.
Βήμα 3: Κατάλληλο μήκος ή διαδρομή του τρίτου σημείου.
Δεν υπάρχει αυστηρός κανόνας ή ακριβές πρότυπο για το πόση διαδρομή πρέπει να έχει ένα υδραυλικό τρίτο σημείο. Αυτό εξαρτάται κυρίως από τον τύπο του τρακτέρ και τα παρελκόμενα για τα οποία προορίζεται. Συνήθως χρησιμοποιείται με διάφορα παρελκόμενα που διαθέτετε, οπότε πρέπει να καθορίσετε ένα μήκος κατάλληλο για τα περισσότερα. Ο ευκολότερος τρόπος είναι να μετρήσετε το σπειρωματωτό τρίτο σημείο που είναι ήδη τοποθετημένο στο τρακτέρ σας. Με βάση το μειωμένο μήκος του σπειρωματωτού τρίτου σημείου (μετρημένο από το κέντρο των οπών), μπορείτε να επιλέξετε το πλησιέστερο υδραυλικό τρίτο σημείο και να δείτε το μέγιστο εκτεταμένο μήκος και τη διαδρομή του.
Τυπικές διαδρομές Υδραυλικών Τρίτων Σημείων είναι:
- 160 mm
- 210 mm
- 280 mm
- 340 mm
- 400 mm
Τα συνολικά μήκη τρίτων σημείων με την ίδια διαδρομή εξαρτώνται από τον τύπο.
Βήμα 4: Επιλογή τύπου Υδραυλικού Τρίτου Σημείου.
- Υδραυλικό Τρίτο Σημείο STANDARD
(χρησιμοποιείται σε συνηθισμένα τρακτέρ)
- Υδραυλικό Τρίτο Σημείο AUTOMATIC
(χρησιμοποιείται εάν το τρακτέρ είναι εξοπλισμένο με γάντζους ταχείας απελευθέρωσης στους κάτω βραχίονες)
- Υδραυλικό Τρίτο Σημείο SPECIAL
(για μεγαλύτερη πλευρική κίνηση)
- Υδραυλικό Σπειρωματώδες Τρίτο Σημείο με Γάντζο
(το μήκος μπορεί να επεκταθεί με το σπείρωμα)
Τα Υδραυλικά Τρίτα Σημεία είναι κατάλληλα για τρακτέρ:
Zetor, Fendt, Deutz-Fahr, Massey Ferguson, Fiat, John Deere, Case, Renault, IMT, Ursus, Steyr, Hürlimann, Lamborghini, Same, Landini, Valtra, Claas, New Holland, Caterpillar, Bobcat, Volvo, Carraro, Yanmar, Štore, Lindner, Solis.







