Νέα προϊόντα
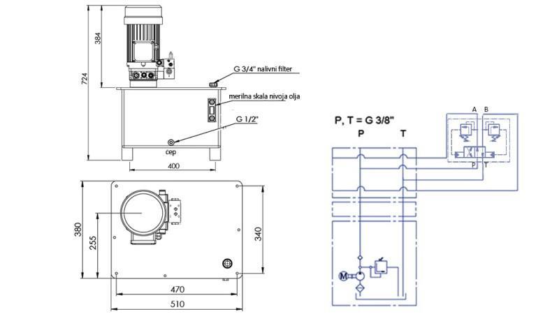
ΥΔΡΑΥΛΙΚΗ ΜΟΝΑΔΑ -RHA- 40LIT ΓΙΑ ΒΟΥΡΤΣΑ ΣΤΑΥΛΟΥ
Κωδικός προϊόντος:
20575
OEM:
9990000100576
Συντελεστής φόρου
22 %
Τιμή χωρίς ΦΠΑ:
713,11 EUR
Τιμή με ΦΠΑ:
870,00 EUR
Ref:
8
Περιγραφή:
Η υδραυλική μονάδα για τη βούρτσα είναι μια αυτόνομη μονάδα που παράγει υδραυλική πίεση χρησιμοποιώντας έναν ηλεκτρικό κινητήρα, για την κίνηση του μεταφορέα του σταύλου.
Ικανότητα κινητήρα:
4kW
ροή αντλίας:
8 cc
συνολική ροή:
12 λίτρα/λεπτό
όγκος δεξαμενής:
40 λίτρα
μέγιστη πίεση εργασίας:
120 bar
βαλβίδα:
RHA - κοντή βαλβίδα
Επιστροφή ή ανταλλαγή:
μη εφικτό
Στροφές:
1500 σ.α.λ.
Τάση:
380V






