Νέα προϊόντα
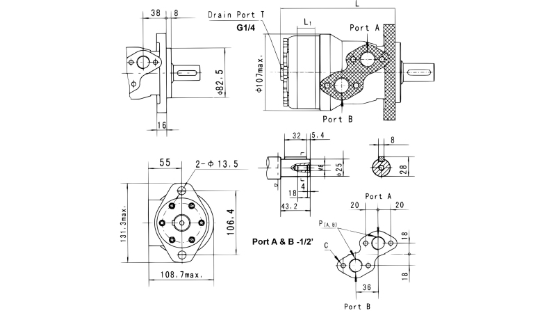
ΥΔΡΑΥΛΙΚΟΣ ΚΙΝΗΤΗΡΑΣ MR 25 ECO (ALSG2-L-25)
| Τεχνικά δεδομένα | |
| Προμηθευτής: | Κίνα |
| Επιστροφή ή ανταλλαγή: | 14 ημέρες |
| Εγγύηση: | 6 μήνες |
| Διάμετρος άξονα: | 25 mm |
| Ροή λαδιού: | σταθερή ροή 40 L/min, διαλείπουσα 45 L/min |
| Σπείρωμα σύνδεσης: | 1/2" |
| Εύρος θερμοκρασίας: | από -40 °C έως 140 °C |
| Ροπή: | σταθερή ροπή 3,3 daNm, διαλείπουσα 4,2 daNm |
| Στροφές: | σταθερές στροφές 1463 rpm, διαλείπουσα 1555 rpm |
| Πτώση πίεσης: | σταθερή πίεση 100 bar, διαλείπουσα 140 bar |
| Ισχύς: | σταθερή ισχύς 8,5 kW, διαλείπουσα 9,8 kW |
| cm³/περιστροφή: | 25,2 |
| Βάρος: | 6,3 kg |
ΠΕΡΙΓΡΑΦΗ – ΥΔΡΑΥΛΙΚΟΙ ΚΙΝΗΤΗΡΕΣ MR ECO
Οι υδραυλικοί κινητήρες τύπου MR είναι συμπαγείς, ανθεκτικοί και αξιόπιστοι με ορθιακή σχεδίαση. Χάρη στην απλή κατασκευή τους και την υψηλή απόδοση, είναι κατάλληλοι για ένα ευρύ φάσμα εφαρμογών.
Η έκδοση ECO διατηρεί τη στάνταρ ποιότητα και αξιοπιστία, ενώ είναι πιο οικονομική, καθώς κατασκευάζεται από αξιόπιστους παραγωγούς χωρίς το πρόσθετο κόστος του εμπορικού σήματος.
Χαρακτηρίζονται από:
- υψηλή μετατόπιση σε χαμηλές στροφές,
- ομαλή και αθόρυβη λειτουργία,
- μεγάλη διάρκεια ζωής χάρη στα υλικά και τα στεγανοποιητικά υψηλής ποιότητας,
- δυνατότητα λειτουργίας και προς τις δύο κατευθύνσεις περιστροφής,
- χαμηλή κατανάλωση λαδιού σε σχέση με την αποδιδόμενη ισχύ,
- έκδοση ECO: ίδια ποιότητα και απόδοση σε χαμηλότερη τιμή.
Οι υδραυλικοί κινητήρες MR χρησιμοποιούνται κυρίως σε γεωργικά, δασικά και κατασκευαστικά μηχανήματα, καθώς και στη βιομηχανία, όπου απαιτείται αξιόπιστη και αποδοτική μετατροπή της υδραυλικής ενέργειας σε μηχανική κίνηση, με ακόμη μεγαλύτερη έμφαση στη βιώσιμη χρήση της ενέργειας σήμερα.

|
L |
L1 |
|
|
(mm) |
(mm) |
|
|
MR 50 ECO |
140 |
10 |
|
MR 80 ECO |
146 |
16 |
|
MR 100 ECO |
150 |
20 |
|
MR 125 ECO |
155 |
25 |
|
MR 160 ECO |
161,5 |
30,5 |
|
MR 200 ECO |
170 |
38,1 |
|
MR 250 ECO |
180 |
50 |
|
MR 315 ECO |
192 |
62 |
|
MR 400 ECO |
204 |
74 |


-1.png)







