Νέα προϊόντα
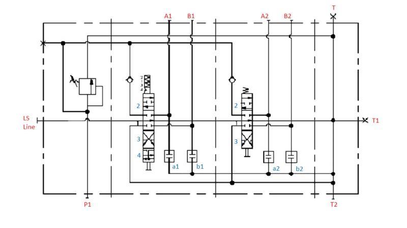
ΥΔΡΑΥΛΙΚΗ ΒΑΛΒΙΔΑ ΕΛΕΓΧΟΥ 2XP90 L/MIN ΜΕ ΣΥΝΑΓΩΓΗ ΦΟΡΤΙΟΥ
Κωδικός προϊόντος:
13989
OEM:
9990000154968
Συντελεστής φόρου
22 %
Τιμή χωρίς ΦΠΑ:
348,36 EUR
Τιμή με ΦΠΑ:
425,00 EUR
Ref:
13
Περιγραφή:
Η υδραυλική βαλβίδα ελέγχου με λειτουργία συναγωγής φορτίου χρησιμοποιείται για τον έλεγχο ενός μπροστινού φορτωτή. Έχει δύο τμήματα που επιτρέπουν τον έλεγχο διπλής κατεύθυνσης υδραυλικών κυλίνδρων. Η βαλβίδα ελέγχου συνδέεται με μια λειτουργία joystick - συναγωγής φορτίου.
Προμηθευτής:
Ισπανία
μέγιστη πίεση εργασίας:
250 bar
Επιστροφή ή ανταλλαγή:
14 ημέρες
βάρος προϊόντος:
13.50 kg
ονομαστική ροή:
90 l/min
Εγγύηση:
6 μήνες
πίεση επιστροφής:
max. 10 bar







