Νέα προϊόντα
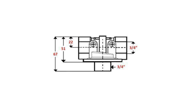
ΚΑΤΟΙΚΙΑ ΓΙΑ ΦΙΛΤΡΟ ΑΝΑΡΡΟΦΗΣΗΣ 3/4
Κωδικός προϊόντος:
10625
OEM:
9990000005482
Συντελεστής φόρου
22 %
Τιμή χωρίς ΦΠΑ:
9,84 EUR
Τιμή με ΦΠΑ:
12,00 EUR
Ref:
154
Κατοικία (κεφαλή) για υδραυλικό φίλτρο αναρρόφησης 3/4'.
Προμηθευτής:
Ισπανία
Μέγιστη πίεση:
10 bar
Εύρος θερμοκρασίας:
έως 80°C
Επιστροφή ή ανταλλαγή:
14 ημέρες
πίεση δοκιμής:
15 bar
βάρος προϊόντος:
0.4 κιλά
πίεση έκρηξης:
20 bar
Εγγύηση:
6 μήνες
Σπείρωμα:
3/4"
Υλικό:
Κράμα αλουμινίου










