Νέα προϊόντα
ΚΙΒΩΤΙΟ ERC04 ΓΙΑ ΗΛΕΚΤΡΙΚΟ ΚΙΝΗΤΗΡΑ MS100 (2.2-3-4KW) ΑΝΑΛΟΓΙΑ 25:1
Περιγραφή:
Τα κιβώτια ERC χρησιμοποιούνται σε συνδυασμό με ηλεκτρικούς κινητήρες. Τα κιβώτια ERC σχεδιάζονται με βάση ένα αρθρωτό σύστημα. Μπορούμε να συνδέσουμε διάφορους τύπους κινητήρων (κλασικούς, συχνότητας, φρένου ...). Χρησιμοποιείται σε εφαρμογές όπως η κατασκευή, η βιομηχανία τροφίμων (μηχανές κιμά ...), ιμάντες κίνησης (ρολά κ.λπ.) και άλλα.
Το κιβώτιο μειώνει τις στροφές του ηλεκτρικού κινητήρα στην τιμή που θέλουμε να λειτουργήσουμε. Τα κιβώτια έχουν αναλογία 25:1.
Κατά την εγκατάσταση του κιβωτίου, βεβαιωθείτε πάντα ότι:
- τα δεδομένα στην πινακίδα ονόματος αντιστοιχούν στα δεδομένα του παραγγελθέντος αντικειμένου
- η θήκη και οι άξονες είναι καθαροί και αβλαβείς
- η επιφάνεια στην οποία είναι προσαρτημένο το κιβώτιο είναι επίπεδη και αρκετά ισχυρή
- το κιβώτιο και ο άξονας του ηλεκτρικού κινητήρα ταιριάζουν καλά
- αν υπάρχει πιθανότητα δονήσεων ή μπλοκαρίσματος, πρέπει να εγκατασταθεί περιοριστής ροπής
- οι περιστρεφόμενες μέρη καλύπτονται με πλαστικά καλύμματα
- η συσκευή που χρησιμοποιείται σε εξωτερικούς χώρους πρέπει να είναι επαρκώς προστατευμένη από τις καιρικές συνθήκες
- οι συνθήκες λειτουργίας δεν προκαλούν διάβρωση (εκτός αν έχει συμφωνηθεί προηγουμένως και το κιβώτιο και ο ηλεκτρικός κινητήρας είναι κατάλληλα προετοιμασμένα)
- οι οδοντωτοί τροχοί, οι οδοντωτοί άξονες, οι είσοδοι/έξοδοι είναι σωστά ασφαλισμένοι ώστε να μην γίνουν ραδινές ή αξονικές φορτίσεις που υπερβαίνουν το μέγιστο επιτρεπτό όριο
- όλοι οι συνδέσμοι είναι επικαλυμμένοι με αντιδιαβρωτικό υλικό για να αποτρέπεται η οξείδωση κατά την επαφή
- όλες οι βίδες στερέωσης πρέπει να είναι σφιγμένες με ασφάλεια
- μη σφίγγετε τα πόδια της θήκης και τις φλάντζες στήριξης το ένα εναντίον του άλλου και βεβαιωθείτε ότι παρατηρείτε το επιτρεπόμενο ραδινό και αξονικό φορτίο.
- Πριν από την εκκίνηση, ελέγξτε το επίπεδο λαδιού που συνιστάται για τη θέση τοποθέτησης. Η βίδα ελέγχου και αποστράγγισης λαδιού και η βαλβίδα εξαερισμού είναι εύκολα προσβάσιμες.
- Ποτέ μην χτυπάτε τροχαλίες, συνδέσμους, οδοντωτούς τροχούς κ.λπ. στο άκρο του άξονα με σφυρί. Αυτό θα βλάψει το ρουλεμάν, τη θήκη και τον άξονα
Όλοι οι υπολογισμοί βασίζονται σε ηλεκτρικούς κινητήρες με 1400 στροφές. Εάν χρησιμοποιείτε ηλεκτρικό κινητήρα με διαφορετική ταχύτητα από 1400 στροφές ανά λεπτό, διαιρέστε τις εισερχόμενες στροφές με την αναλογία του κιβωτίου για να λάβετε τις εξόδους στροφών.
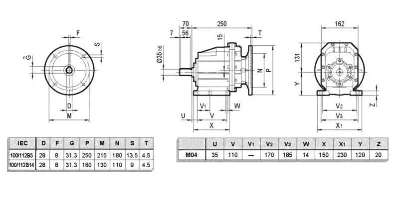
Περισσότερα τεχνικά δεδομένα μπορείτε να βρείτε στο συνημμένο 'ΔΙΑΣΤΑΣΕΙΣ - ΦΥΛΛΟ ΔΕΔΟΜΕΝΩΝ'.



%20RAZMERJE%2025proti1.jpg)
%20RAZMERJE%2025proti1.jpg)
%20RAZMERJE%2025proti1.jpg)


