Νέα προϊόντα
ΒΑΛΒΙΔΑ BLOCK VBPDE 3/8 - 35lit ΜΕ ΣΩΛΗΝΕΣ
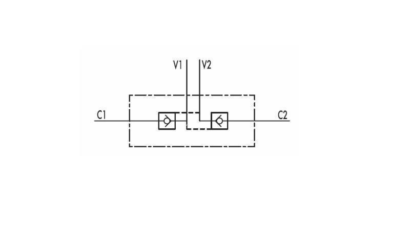
Χρήση:
Οι βαλβίδες block χρησιμοποιούνται για να μπλοκάρουν τον κύλινδρο και στις δύο κατευθύνσεις λειτουργίας. Η ροή απελευθερώνεται πρώτα σε μία κατεύθυνση και μπλοκάρεται στην άλλη κατεύθυνση μέχρι να εφαρμοστεί πίεση ελέγχου στην άλλη κατεύθυνση. Η λειτουργία λειτουργεί αντίστροφα και στην άλλη κατεύθυνση. Οι βαλβίδες block είναι εύκολες στην εγκατάσταση σε υπάρχοντες υδραυλικούς κυλίνδρους.
Μεταλλικοί σωλήνες:
χρησιμοποιούνται για την τοποθέτηση της βαλβίδας στον κύλινδρο. Ο πιο κοντός σωλήνας παραμένει σταθερός, ενώ ο πιο μακρύς σωλήνας κόβεται ή ρυθμίζεται στο μήκος της σύνδεσης στον κύλινδρο. Η βαλβίδα block με σωλήνες δεν μπορεί να τοποθετηθεί σε κύλινδρο με διαδρομή μικρότερη από 150 mm.
Υλικό:
Σίδηρος - γαλβανισμένος
Εσωτερικό της βαλβίδας κατασκευασμένο από σκληρά υλικά
Σφραγίδες BUNA N standard
Σύνδεση:
Συνδέστε τη γραμμή υδραυλικής πίεσης στο V1 και V2. Συνδέστε τα C1 και C2 στον ενεργοποιητή (υδραυλικός κύλινδρος).









