Νέα προϊόντα
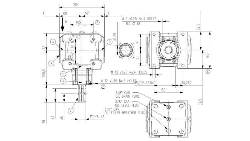
ΓΩΝΙΑΚΟ ΚΙΒΩΤΙΟ ΤΑΧΥΤΗΤΩΝ TB-27J 1.46:1 (40HP-29.4KW)
Κωδικός προϊόντος:
100139
OEM:
9990000024704
Συντελεστής φόρου
22 %
Τιμή χωρίς ΦΠΑ:
313,11 EUR
Τιμή με ΦΠΑ:
382,00 EUR
Ref:
6
Επιστροφή ή ανταλλαγή:
14 ημέρες
περιστροφή του μειωτήρα:
αριστερά/δεξιά (ανάλογα με την εγκατάσταση του μειωτήρα)
κωδικός κατασκευαστή:
9.267.872.10
Load:
40 HP (29.4 kW)
άξονας εξόδου:
άξονας 30 mm
τύπος μειωτήρα:
TB-27J (γωνιακή μετάδοση)
λιπαντικό:
λάδι SAE 90 1.1 λίτρα πρέπει να προστεθεί στον μειωτήρα.
άξονας εισόδου:
κάρνταν (1”3/8 – 6 δόντια)


.jpg)
.jpg)
.jpg)



