Νέα προϊόντα
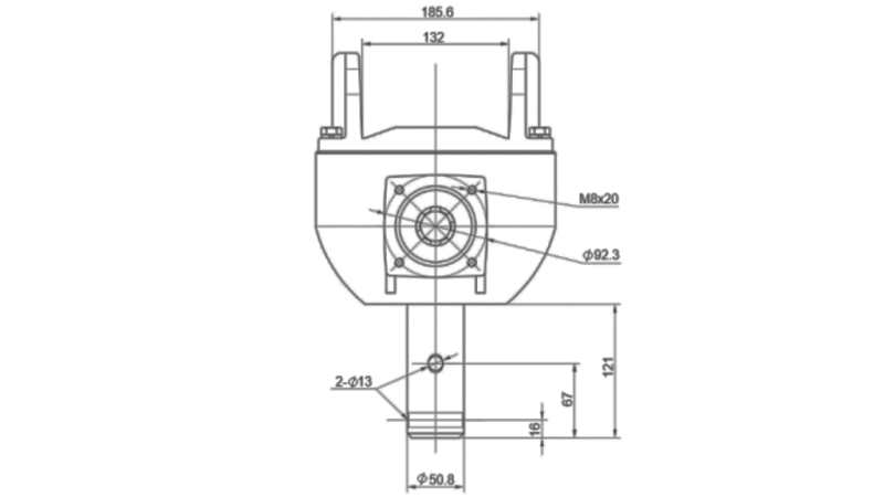
ΓΕΡΑΝΟΣ ΓΩΝΙΑΚΟΣ KSR50 3:1 (50HP-36.7kW)
Κωδικός προϊόντος:
14332
OEM:
9990000168712
Συντελεστής φόρου
22 %
Τιμή χωρίς ΦΠΑ:
254,10 EUR
Τιμή με ΦΠΑ:
310,00 EUR
Ref:
1

Προμηθευτής:
Πολωνία
Επιστροφή ή ανταλλαγή:
14 ημέρες
μέγ. ροπή:
2337 Nm
Στεγάνωση:
Χυτοσίδηρος
Αναλογία:
3:1
Είσοδος στροφών:
540 rpm
Έξοδος RPM:
180 στροφές/λεπτό
Εγγύηση:
6 μήνες
Load:
μέγ. 36.7 kW


.jpg)








